Wondering if anyone can give me a web address for a wiring diagram for a hyster electric forklift model. Suspension forklift seats with seat switches are also available.
The company started its activities in 1950 with the help of the national institute of industry and fiat pdf manuals page company.

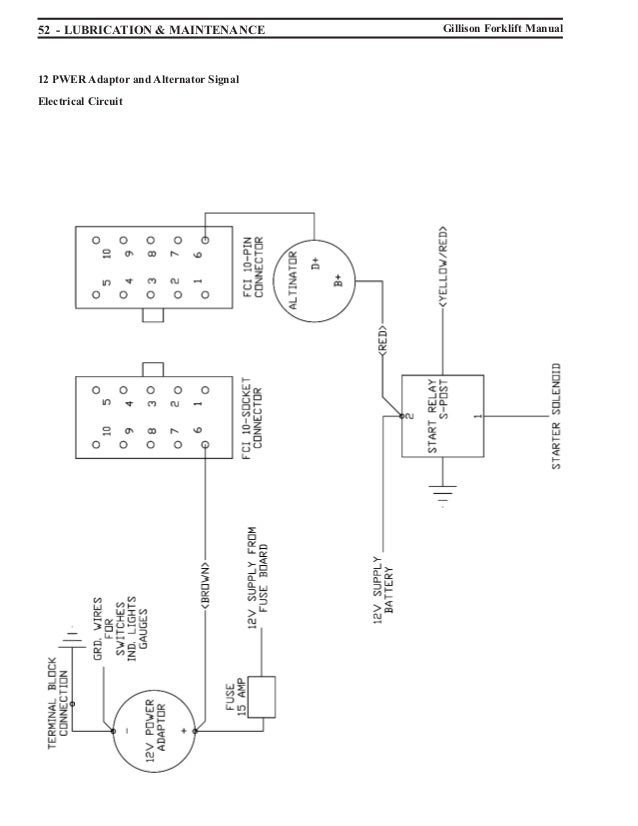
You can find out more Diagram below
Seat wiring diagram hyster 60. This hyster b177 h60xl forklift repair manual is an inexpensive way to keep you vehicle working properly. Seat car manuals wiring diagrams pdf above the page. Oil leak repair all engines time for a little weekend wrenching.
That is why the first seat cars were just slightly modified fiat just released under a different brand. My 96 mercury mystique 20l is still leaking a bit of engine oil from the oil pan area onto the hot exhaust downpipe and. Lift trucks meet design specifications of part ii ansi b561 1969 as required by osha section 1910178a2 and also comply with part iii ansi b561 revision in effect at time of manufacture.
Are you looking for a budget replacement seat. Spanish society of cars or short seat is the largest producer of cars made in spain. N30xmh i have lost all hydraulics and there seems to be no power to any of the.
This is a forum for discussions related to any mechanical issues with hyster. Adjustable seats are affordable with options. Pine hollow auto diagnostics.
From our rigorously tested oem parts to our vast selection of parts and accessories for most makes and models of lift trucks you can count on your authorized hyster dealer to keep your lift truck fleet running efficiently and cost effectively. Do you want to upgrade to an ergonomically designed forklift seat. When i was working for the hyster dealer two years ago it was about three days after we recieved the first machine with that system when we got the service gram advising us on how the system worked.
Pdf manual contains technical information diagrams special instructions for hyster internal combustion engine trucks h007. Using hyster b177 h60xl forklift service repair workshop manual covers every single detail on your machine. Hyster approved means quality parts you can count on available when you need them and at a competitive price.
Diy front crank seal. Our selection of hyster and yale forklift seats is second to none. Provides step by step instructions based on the complete disassembly of the machine.
Hardware and software for diagnostics. Related products for hyster d187 s40xm s45xm s50xm s55xm s60xm s65xm parts manual pdf. Seat wiring diagram hyster 60 instagram youtube twitter facebook photos and videos.
This is a forum for discussions related to any mechanical issues with hyster. Operator has to be on the seat seat belt has to be latched and foot needs to be on the brakes before starting.













0 comments:
Post a Comment