Many thanks to the sa22c and dfw rx7 list members who provided manuals to scan. Mazda rx 7 service and repair manuals every manual available online found by our community and shared for free.
Scanned and pdfd from the factory original diagrams.
You can find out more Diagram below
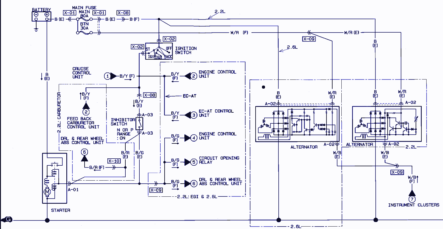
1990 rx7 wiring diagram. Single turbo turboii rotary rx7 help. Seqnential twin turbo rotary rx7 help. Mazda 3rd generation rx 7 fd3s pdf technical manuals.
Automotive wiring in a 1990 mazda rx7 vehicles are becoming increasing more difficult to identify due to the installation of read more read more. July 23rd 2015 posted in mazda rx7. Bluered radio accessory switched 12v wire.
If you have manuals or diagrams that arent here and would like to contribute to the product please contact kwright. Stereo wiring diagrams subcribe via rss. Mazda rx 7 and rotary reference materials.
Home 1990 mazda rx 7 convertible convertible 2 door 13l 1308cc r2 gas nr naturally aspirated 1990 mazda rx 7 wiring diagram manual original rx7 click on thumbnail to zoom. Many thanks to the sa22c and dfw rx7 list members who provided manuals to scan. Radio battery constant 12v wire.
Mazda rx 7 factory wiring diagrams. Mazda factory service manuals mazda factory wiring diagrams mazda parts books fiches rotary books. Whether your an expert mazda rx7 mobile electronics installer mazda rx7 fanatic or a novice mazda rx7 enthusiast with a 1990 mazda rx7 a car stereo wiring diagram can save yourself a lot of time.
Mazda 2nd generation rx 7 fd3s pdf technical manuals. Scanned and pdfd from the factory original diagrams. One of the most time consuming tasks with installing an after market car alarm car security car read more read more.
Mazda rx7 1988 misc documents wiring diagram 108 pages free mazda rx7 1989 misc documents tech data 18 pages free mazda rx7 1990 misc documents tech data 18 pages free mazda rx7 1991 misc documents tech data. If youll send it to him hell scan it and send it back. 1990 mazda rx7 stereo wiring information.
Mazda rx 7 factory service manuals. The worlds largest community of rx 7 owners and enthusiasts. Whether your an expert mazda rx7 car alarm installer mazda rx7 performance fan or a novice mazda rx7 enthusiast with a 1990 mazda rx7 a mazda rx7 car alarm wiring diagram can save yourself a lot of time.










0 comments:
Post a Comment